Daha fazlası için tıklayın.
No products were found.
×

PCE Instruments Hidrolik Kuvvet Ölçüm Cihazı PCE-HFG 25K

  • PCE-HFG 25K Hidrolik kuvvet ölçüm cihazı / analog dinamometre
  • Newton [N] biriminde kuvvet göstergesi
  • Paslanmaz çelik kuvvet sensörü
  • 27 mm halka açıklığı ile esnek kullanım
  • Entegre sürükleme ibresi ile maksimum değer takibi
  • Eksenel montaj için vidalı bağlantı
  • Kompakt ve dayanıklı tasarım
  • Endüstriyel bakım ve test uygulamalarına uygun
  • Alman teknolojisi ve kalitesi
Read moreShow less
₺37.056,00 (KDV dahil)
Sipariş için bize ulaşın.
Marka:
Açıklama

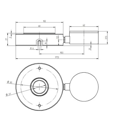
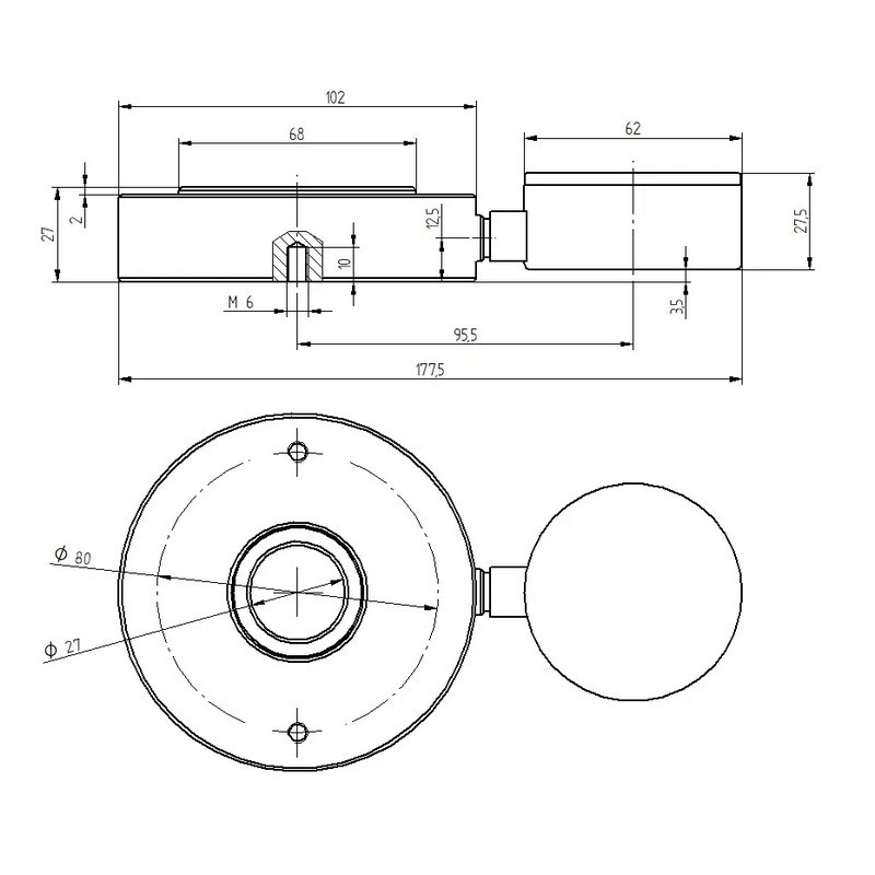
PCE‑HFG 25K hidrolik kuvvet ölçüm cihazı, hidrolik basınç ile üretilen kuvvetleri Newton biriminde analog ölçek üzerinden ölçmek için tasarlanmış kompakt bir dinamometredir. Hidrolik kuvvet sensörü sayesinde uygulanan baskı kuvveti doğrudan cihaz üzerindeki ölçekle okunur ve entegre sürükleme ibresi maksimum ölçüm değerini sabitleyerek takip imkânı sağlar. 27 mm halka açıklığı, kılavuz raylar, şaftlar veya pres cıvataları üzerinde kuvvet ölçümü yapmayı mümkün kılar ve adaptör kullanılarak halka tipi ölçümden baskı tipi ölçüme hızlı dönüşüm sağlar. Bu cihaz, endüstriyel makinelerin bakım işlemleri, ayar kontrolleri ve statik kuvvet gerektiren uygulamalarda güvenilir ve pratik ölçüm çözümleri sunar.

Temel Özellikler

  • PCE-HFG 25K Hidrolik kuvvet ölçüm cihazı / analog dinamometre
  • Newton [N] biriminde kuvvet göstergesi
  • Paslanmaz çelik kuvvet sensörü
  • 27 mm halka açıklığı ile esnek kullanım
  • Entegre sürükleme ibresi ile maksimum değer takibi
  • Eksenel montaj için vidalı bağlantı
  • Kompakt ve dayanıklı tasarım
  • Endüstriyel bakım ve test uygulamalarına uygun
  • Alman teknolojisi ve kalitesi

Teknik Özellikler

  • Ölçüm aralığı: 0 … 25 000 N
  • Çözünürlük: 1000 N
  • Hassasiyet: ± %1.95 (ölçüm aralığına göre)
  • Ekran boyutu: Ø 55 mm analog ölçek
  • Montaj delikleri: 2 × M6
  • Çalışma sıcaklığı: 0 … 50 °C
  • Malzeme: Paslanmaz çelik sensör

Teslimat İçeriği

  • 1 × PCE‑HFG 25K hidrolik kuvvet ölçüm cihazı
  • 1 × Yerleştirme plakası
  • 1 × Taşıma çantası
  • 1 × Kullanım kılavuzu
Read moreShow less
Ürün Detayları
PCE-HFG 25K

Bilgi kartı

Paketleme
Tekli
EAN
4250348722874
Taksit Seçenekleri
İlginizi çekebilir
₺37.358,40 (KDV dahil)
PCE-BTM 2000AKayış Gerginliği Ölçer  Ölçüm aralığı: 10 … 900 Hz Hassasiyet: ± (ölçüm değerinin %1’i + 4 dijit) Çözünürlük: <100 Hz: 0.1 Hz, >100 Hz: 1 Hz Tekrarlanabilirlik: ± 1 Hz Kayış uzunluğu girişi:...
₺37.230,00 (KDV dahil)
PCE‑HFG 1K Hidrolik kuvvet ölçüm cihazı / dinamometre tipi Analog kuvvet göstergesi ile Newton biriminde ölçüm Paslanmaz çelik kuvvet sensörü 27 mm halka açıklığı ile esnek ölçüm Eksenel montaj için M6 montaj...
₺80.244,00 (KDV dahil)
PCE‑DFG 1K XF kuvvet ölçüm cihazı Harici yük hücresi ile kuvvet ölçümü Çekme ve basma kuvvetlerini ölçebilme Grafik LCD ekran ile net gösterim USB‑C arayüzü ile veri aktarımı 30 milyon ölçüm noktasına kadar 32...
₺23.106,00 (KDV dahil)
PCE-FM 200 Kuvvet Ölçüm Cihazı  Taşınabilir kuvvet ölçüm cihazı / dinamometre 2 … 200 N ölçüm aralığı N, kg ve lb ölçüm birimleri Farklı şekilli adaptörlerle uyumlu Uzatma çubuğu ile erişimi zor noktalarda...
₺216.990,00 (KDV dahil)
PCE‑PST 1 X yapışma test cihazı Yapışma ve kuvvet testleri için tasarlanmış ölçüm cihazı 0 … 500 N ölçüm aralığı Manuel ve otomatik ölçüm modları Ayarlanabilir örnekleme hızı (2 … 100 Hz) Dahili veri kaydedici...
₺73.824,00 (KDV dahil)
PCE DFG-1K X Dinamometre PCE DFG-1K X Kuvvet Ölçer PCE DFG-1K X Güç Ölçer 0-1000N ölçüm kapasitesi  0,5 N çözünülürlükte Çekme ve basma kuvvet ölçümü ± %0,05 F.S. hassasiyetinde N, kg, t, kN, Pa, kPa, Nm, Ncm, lb,...

Menu