Daha fazlası için tıklayın.
No products were found.
×

PCE Instruments Hidrolik Kuvvet Ölçüm Cihazı PCE-HFG 1K

  • PCE‑HFG 1K Hidrolik kuvvet ölçüm cihazı / dinamometre tipi
  • Analog kuvvet göstergesi ile Newton biriminde ölçüm
  • Paslanmaz çelik kuvvet sensörü
  • 27 mm halka açıklığı ile esnek ölçüm
  • Eksenel montaj için M6 montaj delikleri
  • Entegre çubuk gösterge ile maksimum değer takibi
  • Kompakt ve dayanıklı yapısı
  • Endüstriyel makinelerde bakım ve test uygulamalarına uygun
  • Alman teknolojisi ve kalitesi
Read moreShow less
₺36.185,76 (KDV dahil)
Sipariş için bize ulaşın.
Marka:
Açıklama

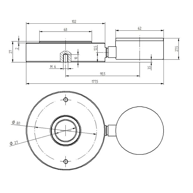
PCE‑HFG 1K hidrolik kuvvet ölçüm cihazı, hidrolik sistemlerde oluşan basınç kuvvetini Newton cinsinden analog ölçek ile ölçen kompakt ve dayanıklı bir dinamometredir. Cihaz, hidrolik basınç ile üretilen kuvveti entegre çubuk göstergesi üzerinden saniyeler içinde okuyabilmenizi sağlar ve hidrolik pres, bakım sistemleri veya diğer endüstriyel uygulamalarda kolaylıkla kullanılabilir. 27 mm halka açıklığı sayesinde kılavuz raylarda, şaftlarda ve bağlantı elemanlarında esnek kuvvet ölçümü sunar. Paslanmaz çelik sensörü ve M6 montaj delikleri, uzun ömürlü kullanım ve sağlam montaj imkânı sağlar. Bu cihaz, özellikle hidrolik kuvvet uygulamalarında hızlı ve güvenilir ölçümler yapmanızı sağlar.

Temel Özellikler

  • PCE‑HFG 1K Hidrolik kuvvet ölçüm cihazı / dinamometre tipi
  • Analog kuvvet göstergesi ile Newton biriminde ölçüm
  • Paslanmaz çelik kuvvet sensörü
  • 27 mm halka açıklığı ile esnek ölçüm
  • Eksenel montaj için M6 montaj delikleri
  • Entegre çubuk gösterge ile maksimum değer takibi
  • Kompakt ve dayanıklı yapısı
  • Endüstriyel makinelerde bakım ve test uygulamalarına uygun
  • Alman teknolojisi ve kalitesi

Teknik Özellikler

  • Ölçüm aralığı: 0 … 1 000 N
  • Çözünürlük: 20 N
  • Hassasiyet: Ölçüm aralığının ± %2.5’i
  • Ekran tipi: Analog çubuk gösterge
  • Montaj delikleri: 2 × M6
  • Çevre koşulları: 0 … 50 °C
  • Halka açıklığı: ~27 mm
  • Birim: Newton (N)

Teslimat İçeriği

  • 1 × PCE‑HFG 1K hidrolik kuvvet ölçüm cihazı
  • 1 × Yerleştirme plakası
  • 1 × Taşıma çantası
  • 1 × Kullanım kılavuzu
Read moreShow less
Ürün Detayları
PCE-HFG 1K

Bilgi kartı

Paketleme
Tekli
EAN
4250348722843
Taksit Seçenekleri
İlginizi çekebilir
₺36.310,56 (KDV dahil)
PCE-BTM 2000AKayış Gerginliği Ölçer  Ölçüm aralığı: 10 … 900 Hz Hassasiyet: ± (ölçüm değerinin %1’i + 4 dijit) Çözünürlük: <100 Hz: 0.1 Hz, >100 Hz: 1 Hz Tekrarlanabilirlik: ± 1 Hz Kayış uzunluğu girişi:...
₺36.185,76 (KDV dahil)
PCE-HFG 25K Hidrolik kuvvet ölçüm cihazı / analog dinamometre Newton [N] biriminde kuvvet göstergesi Paslanmaz çelik kuvvet sensörü 27 mm halka açıklığı ile esnek kullanım Entegre sürükleme ibresi ile maksimum...
₺77.993,76 (KDV dahil)
PCE‑DFG 1K XF kuvvet ölçüm cihazı Harici yük hücresi ile kuvvet ölçümü Çekme ve basma kuvvetlerini ölçebilme Grafik LCD ekran ile net gösterim USB‑C arayüzü ile veri aktarımı 30 milyon ölçüm noktasına kadar 32...
₺22.457,76 (KDV dahil)
PCE-FM 200 Kuvvet Ölçüm Cihazı  Taşınabilir kuvvet ölçüm cihazı / dinamometre 2 … 200 N ölçüm aralığı N, kg ve lb ölçüm birimleri Farklı şekilli adaptörlerle uyumlu Uzatma çubuğu ile erişimi zor noktalarda...
₺210.905,76 (KDV dahil)
PCE‑PST 1 X yapışma test cihazı Yapışma ve kuvvet testleri için tasarlanmış ölçüm cihazı 0 … 500 N ölçüm aralığı Manuel ve otomatik ölçüm modları Ayarlanabilir örnekleme hızı (2 … 100 Hz) Dahili veri kaydedici...
₺71.753,76 (KDV dahil)
PCE DFG-1K X Dinamometre PCE DFG-1K X Kuvvet Ölçer PCE DFG-1K X Güç Ölçer 0-1000N ölçüm kapasitesi  0,5 N çözünülürlükte Çekme ve basma kuvvet ölçümü ± %0,05 F.S. hassasiyetinde N, kg, t, kN, Pa, kPa, Nm, Ncm, lb,...
₺71.753,76 (KDV dahil)
PCE DFG-2K5 X Dinamometre PCE DFG-2K5 X Kuvvet Ölçer PCE DFG-2K5 X Güç Ölçer 0-2500N ölçüm kapasitesi  1 N çözünülürlükte Çekme ve basma kuvvet ölçümü ± %0,05 F.S. hassasiyetinde N, kg, t, kN, Pa, kPa, Nm, Ncm, lb,...

Menu