Daha fazlası için tıklayın.
No products were found.
×

GAV 7416-34W 22mm Spigot Açık Ağız Geçmeli Tork Ucu 34mm

  • GAV 7416-34W
  • GAV açık ağız geçmeli tork ucu
  • Açık ağız ölçüsü: 34 mm
  • Bağlantı tipi: 22 mm spigot
  • 22 mm spigot bağlantılı değiştirilebilir ağızlı tork anahtarlarıyla uyumludur
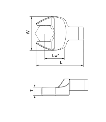
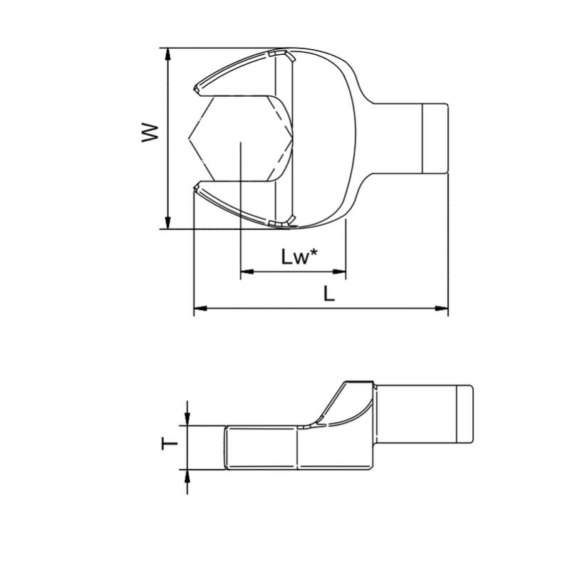
  • Merkez uzaklık (Lw) × Uzunluk (L): 56 × 97 mm
  • Genişlik (W) × Yükseklik (T): 75,5 × 12 mm
  • Ağırlık: 465 g
  • Değiştirilebilir ağızlı tork anahtarları için uygundur
  • Krom vanadyum dövme çelikten üretilmiştir
  • Güvenlik iğnesi sayesinde güvenli şekilde sabitlenir
Read moreShow less
€67,50 (KDV dahil)
Sipariş için bize ulaşın.
Marka:
Açıklama

 GAV 7416-34W açık ağız geçmeli tork ucu, 34mm ağız genişliği ve 22mm spigot bağlantısı ile değiştirilebilir ağızlı tork anahtarları için ideal bir aksesuardır. Endüstriyel uygulamalarda hassas tork kontrolü sağlayan bu uç, krom vanadyum dövme çelik malzemeden üretilmiş olup yüksek dayanıklılık sunar.

Ürün Özellikleri:

  • Ürün Kodu: GAV 7416-34W
  • Ürün Tipi: Açık Ağız geçmeli tork ucu
  • Ağız Genişliği: 34mm
  • Bağlantı Tipi: 22mm spigot
  • Ölçüler: Merkez uzaklık (Lw) X Uzunluk (L): 56mm x 97mm
  • Gövde Ölçüleri (Genişlik-W x Yükseklik-T): 75,5mm X 12mm
  • Ağırlık: 465gr
  • Malzeme: Krom vanadyum dövme çelik
  • Bağlantı Özelliği: Güvenlik iğnesi ile güvenli sabitleme
  • Kullanım Alanları: Endüstriyel bakım, üretim hatları, otomotiv servisleri

Neden GAV 7416-34W Tork Ucunu Tercih Etmelisiniz?

✔️ Yüksek hassasiyetli tork uygulamaları için tasarlanmıştır.
✔️ 22mm spigot bağlantıya sahip tork anahtarlarıyla tam uyumludur.
✔️ Sağlam yapısı sayesinde uzun ömürlü ve güvenli kullanım sunar.
✔️ Açık Ağız tipi ağız yapısı özel bağlantı gerektiren uygulamalarda avantaj sağlar.

Read moreShow less
Ürün Detayları
GAV-7416-34W

Bilgi kartı

Paketleme
Tekli
Bağlantı
22mm Spigot Dişi
Uzunluk
97mm
Numara
34mm
Uç/Ağız Profili
Açık Ağız
Taksit Seçenekleri
İlginizi çekebilir

Menu