Daha fazlası için tıklayın.
No products were found.
×

GAV 7415-19W 16mm Spigot Açık Ağız Geçmeli Tork Ucu 19mm

  • GAV GAV 7415-19W
  • GAV GAV 7415-19W açık ağız geçmeli tork ucu
  • GAV açık ağız geçmeli tork ucu
  • 19mm açık ağız tork ucu
  • 16mm spigot cihaz bağlantılı
  • 16mm spigot değişken ağızlı tork anahtarlarına uygun
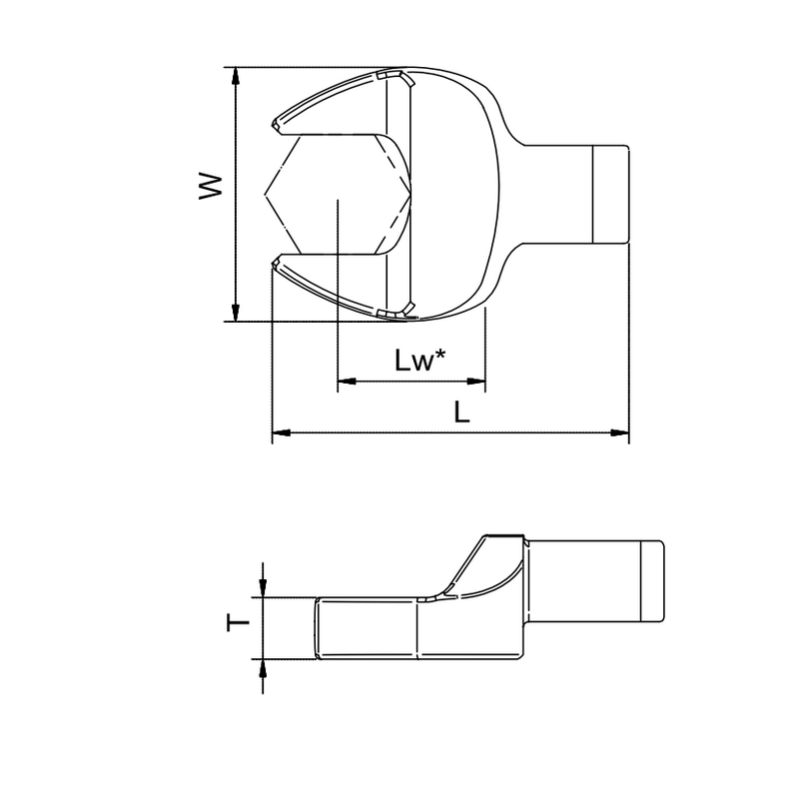
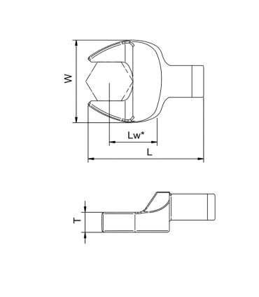
  • Ağız Genişliği:19mm
  • Merkez uzaklık (Lw) X Uzunluk (L): 32mm x 62mm
  • Genişlik (W) X Yükseklik (T):45mm X 10mm
  • 180gr ağırlığında
  • Değiştirilebilir ağızlı tork anahtarları için uygun
  • Krom vanadyum dövme çeliği
  • Güvenlik iğnesi sayesinde güvenli şekilde sabitlenir
Read moreShow less
€38,70 (KDV dahil)
Sipariş için bize ulaşın.
Marka:
Açıklama

GAV 7415-19W açık ağız geçmeli tork ucu, 19mm ağız genişliği ve 16mm spigot bağlantısı ile değiştirilebilir ağızlı tork anahtarları için ideal bir aksesuardır. Endüstriyel uygulamalarda hassas tork kontrolü sağlayan bu uç, krom vanadyum dövme çelik malzemeden üretilmiş olup yüksek dayanıklılık sunar.

Ürün Özellikleri:

  • Ürün Kodu: GAV 7415-19W
  • Ürün Tipi: Açık Ağız geçmeli tork ucu
  • Ağız Genişliği: 19mm
  • Bağlantı Tipi: 16mm spigot
  • Ölçüler: Merkez uzaklık (Lw) X Uzunluk (L): 32mm x 62mm
  • Gövde Ölçüleri (Genişlik-W x Yükseklik-T): 45mm X 10mm
  • Ağırlık: 180gr
  • Malzeme: Krom vanadyum dövme çelik
  • Bağlantı Özelliği: Güvenlik iğnesi ile güvenli sabitleme
  • Kullanım Alanları: Endüstriyel bakım, üretim hatları, otomotiv servisleri

Neden GAV 7415-19W Tork Ucunu Tercih Etmelisiniz?

✔️ Yüksek hassasiyetli tork uygulamaları için tasarlanmıştır.
✔️ 16mm spigot bağlantıya sahip tork anahtarlarıyla tam uyumludur.
✔️ Sağlam yapısı sayesinde uzun ömürlü ve güvenli kullanım sunar.
✔️ Açık Ağız tipi ağız yapısı özel bağlantı gerektiren uygulamalarda avantaj sağlar.

Read moreShow less
Ürün Detayları
GAV-7415-19W

Bilgi kartı

Paketleme
Tekli
Bağlantı
16mm Spigot Dişi
Uzunluk
62mm
Numara
19mm
Uç/Ağız Profili
Açık Ağız
Taksit Seçenekleri
İlginizi çekebilir

Menu